Bienvenue,
Invité
. Merci de
vous connecter
ou de
vous inscrire
.
Avez-vous perdu votre
e-mail d'activation
?
03 novembre 2025, 22H 57mn 49s
Accueil
Forum
Aide
Rechercher
Partenaires
Connexion
Identifiant:
Mot de passe:
1 heure
1 jour
1 semaine
1 mois
Toujours
Bienvenue,
Invité
. Merci de
vous connecter
ou de
vous inscrire
.
Avez-vous perdu votre
e-mail d'activation
?
Rechercher
Coupe Sportwin
Retrouvez l'actualité du SporTwin sur
Participez au SporTwin avec Planète-Ducati
Forum Planete Ducati
»
Les Ducati
»
Les Ducati avant 1988
»
Les premières "bretelles"
»
Les Pantah classiques (1979-1983)
»
Sujet:
bras oscillant pantah
Imprimer
Pages: [
1
]
En bas
Auteur
Sujet: bras oscillant pantah (Lu 3477 fois)
JC30
Apprenti ducatiste
Messages: 94
bras oscillant pantah
«
le:
06 août 2018, 10H 10mn 44s »
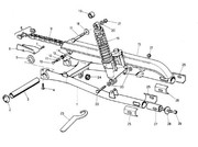
bonjour, j'ai du jeu à mon bras oscillant, j'ai démonté le bras et rajouté une rondelle de 3/10 ème mais j'ai toujours le jeu, quelqu'un a t'il déjà changé les bagues ou l'axe, est ce qu'on en trouve de rechange, comment faut il faire ?
IP archivée
lucky#45
Apprenti ducatiste
Messages: 49
Re : bras oscillant pantah
«
Réponse #1 le:
03 septembre 2018, 11H 55mn 00s »
j'ai fais ça il y a très longtemps sur mon Pantah.
il te faut démonter la roue arrière et la fixation des amortos sur le bras oscillant.
Ensuite tu tapes pour chasser l'axe.Enfin tu tapes à l’intérieur pour chasser les bagues en bronze de chaque coté.Les bagues se trouve chez stein dinse
https://www.stein-dinse.biz/index.php?language=fr
.référence : 066049289
sur Ebay tu vas en trouver
IP archivée
JC30
Apprenti ducatiste
Messages: 94
Re : bras oscillant pantah
«
Réponse #2 le:
09 septembre 2018, 15H 29mn 44s »
ok merci, j'en ai commandé sur le bon coin, j'espère qu'elles viennent facilement sans extracteur
IP archivée
Jericho
Apprenti ducatiste
Messages: 93
Re : bras oscillant pantah
«
Réponse #3 le:
11 septembre 2018, 21H 31mn 18s »
Salut à tous !
Je me permet une incruste sur ce post sachant que la réponse à était donné et que je suis à peu près dans le thème.
Pour la culture général, savez vous pourquoi les BO de Pantah n’on jamais été repris sur les TT ? Ducati a penchée vers les BO Cantilever à ce moment mais il n’y a jamais eu de TT avec BO Pantah par conséquent ?
Merci à ceux qui éclairons ma lanterne
IP archivée
Recherche - Selle Mostro 1999
Fabio
Cylindre en Bronze
Messages: 152
Re : bras oscillant pantah
«
Réponse #4 le:
12 septembre 2018, 09H 03mn 58s »
Je pense simplement que, à cette époque, le cantilever était l'évolution châssis du moment. Le châssis permettait son implantation par rapport au pantah.
IP archivée
Un motard dangereux, c'est celui qui vous dépasse malgré tous vos efforts pour l'en empêcher.!
GT 1000-900MHR 82 900 SS 77
JC30
Apprenti ducatiste
Messages: 94
Re : bras oscillant pantah
«
Réponse #5 le:
15 novembre 2018, 17H 00mn 13s »
j'ai résolu mon problème de jeu en changeant l'axe
IP archivée
lucky#45
Apprenti ducatiste
Messages: 49
Re : bras oscillant pantah
«
Réponse #6 le:
28 novembre 2018, 13H 48mn 40s »
oui j'avais résolu le problème une première fois en changeant uniquement l'axe...puis les km aidant le jeu est revenu et là j'avais tout changé.
IP archivée
Al flimstar
Desmo d'argent
Messages: 7 646
Re : Re : bras oscillant pantah
«
Réponse #7 le:
28 mars 2019, 16H 48mn 02s »
Citation de: Jericho le 11 septembre 2018, 21H 31mn 18s
mais il n’y a jamais eu de TT avec BO Pantah par conséquent ?
non, en revanche il y a eu des pantah avec un bras oscillant de TT, le chaînon manquant quoi!
IP archivée
JC30
Apprenti ducatiste
Messages: 94
Re : bras oscillant pantah
«
Réponse #8 le:
29 mars 2019, 07H 47mn 32s »
tu veux parler des F1 ? car aucune pantah n'a eu de cantilever
IP archivée
Al flimstar
Desmo d'argent
Messages: 7 646
Re : bras oscillant pantah
«
Réponse #9 le:
01 avril 2019, 15H 18mn 21s »
vendu en concession ? non effectivement
en revanche, des cadres de pantah (600SL/650SL/Alazzurra) avec cantilever il y en a eu, chez NCR
et le B.O. est en tout point celui d'un TT2
IP archivée
chris31fr
Apprenti ducatiste
Messages: 68
Re : bras oscillant pantah
«
Réponse #10 le:
20 juin 2019, 00H 24mn 30s »
Salut
Je reviens sur cette histoire de jeu au bras.
Sur la part list je vois pas ces bagues. par contre je vois differents axes en cote réparations.
J'imagine qu'il y a 2 bagues a changer en gardant l'axe origine ou garder les bagues et prendre un axe en cote réparation ?
Des avis ?
Merci
Edit : je risquais pas trouver cette bague sur la part list du bras..
Elle est sur le moteur. Y en a qu'une seule ?
«
Modifié: 20 juin 2019, 00H 32mn 47s par chris31fr
»
IP archivée
JC30
Apprenti ducatiste
Messages: 94
Re : bras oscillant pantah
«
Réponse #11 le:
27 juin 2019, 15H 32mn 02s »
il y a une bague de chaque côté, l'axe je l'ai trouvé chez Back to classics (
https://www.ducaticlassics.com/
)
IP archivée
chris31fr
Apprenti ducatiste
Messages: 68
Re : bras oscillant pantah
«
Réponse #12 le:
27 juin 2019, 16H 25mn 29s »
Ok je vais voir ca.
Merci
IP archivée
Imprimer
Pages: [
1
]
En haut
Forum Planete Ducati
»
Les Ducati
»
Les Ducati avant 1988
»
Les premières "bretelles"
»
Les Pantah classiques (1979-1983)
»
Sujet:
bras oscillant pantah